J.M. Firearms Collection

MAUSER HSc Colección de Jesús Madriñán

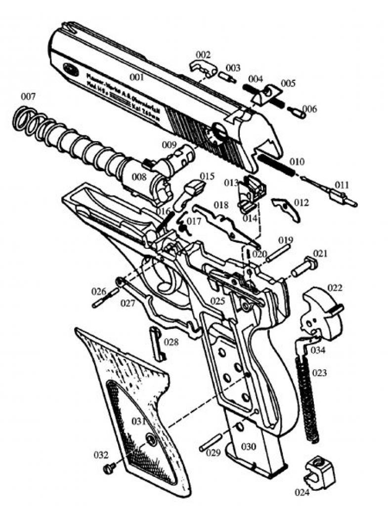
Datos técnicos
MAUSER HSc
Oberndorf (Alemania)
1940 - 1945
Doble Acción
86 mm.
600 Gr.
Madera
El diseño y el desarrollo de la pistola Mauser HSc comenzó en 1934 por la fábrica Mauser de Oberndorf Neckar (Alemania) para sustituir a su modelo ya obsoleto 1914/34 de simple acción y para competir con la Walther PP de doble-acción. Después de desarrollar dos prototipos (el HsA y el HsB), por fin quedaron convencidos con la versión final, la HSC, la cual comenzó a producirse en diciembre de 1940. En realidad la Mauser estaba en condiciones de fabricarla desde 1938, pero el Heereswaffenamt (Oficina de Armas del Ejército) la frenó debido a otras prioridades. Las iniciales HSc vienen de (Hahn Selbstspanner) que significa doble acción en alemán y la “C” del modelo.

Mauser comenzó su producción desde el número de serie 700.000. Todas las producidas durante la Segunda Guerra Mundial estaban marcadas con seis dígitos. La producción alemana de la HSc terminó con la guerra, fabricándose la última el 19 de abril de 1945 que portaba el número 951.988, lo que representa un total de 251.988 unidades manufacturadas durante el régimen nazi en Alemania.

Las fabricadas a finales de la guerra, momento en que ya escaseaban los materiales, el pavonado normal se cambió por un feo parquerizado y las cachas de madera se cambiaron por unas de plástico negro. Esto sucedió con las que llevaban un número de serie superior al 945.000.

Las primeras 1.345 pistolas se conocían coloquialmente como “de tornillo bajo” debido que el que sujetaba las cachas estaba situado en la parte inferior de las mismas. La mitad de este lote fue a parar a la Kriegsmarine (marina de guerra), y el resto al mercado comercial. Posteriormente estos tornillos fueron levantados 19 mm, y el Heer (ejército) comenzó a distribuirlas entre la policía de élite nazi, es decir, entre la GESTAPO y las SS. La Luftwaffe (fuerza aérea) compró las pistolas HSc al ejército sin contar con sus propios departamentos. Debido a su sistema de doble acción, al vanguardismo de sus líneas y a su elegancia, muchos oficiales de alto rango se hicieron con ellas en el mercado comercial, convirtiéndolas en su arma corta favorita.

Se puede conocer el origen del cuerpo al que sirvió cada Mauser HSc producida durante la guerra debido a que todas llevaban una letra o código al lado del punzón del águila con la esvástica en el guardamonte y en la parte de la recámara del cañón que coincide con la ventana extractora. Las destinadas a la comercialización llevan una “N”, las destinadas al ejército o a la Luftwaffe el código “655”, “135”, o “WaA135”. Si las letras eran una “L” o “F” es que fueron dotadas a las distintas policías, y una “M” y/o “M III/3” para la marina de guerra.

La pistola de esta colección porta la letra “L”, por lo que perteneció a algún miembro de la GESTAPO o de las SS, o a cualquier otra siniestra organización policial del régimen nazi.

Su distribución y destino fue el siguiente:

Ejército y Luftwaffe.... 137.121.... 54,4 %
Marina......................... 27.100..... 10,8 %
Policías........................ 28.300..... 11,2 %
Comercial.................... 59.467..... 23,6 %
Total:..........................251.988.. 100,0 %


De mayo de 1945 a junio de 1946, los franceses ocuparon la fábrica Mauser que produjo unas 19.000 HSc para sus tropas en Indochina, que fueron numeradas hasta el 971.239 y se conocen por llevar las letras entrelazadas “WR”. Antes de 1947, destruyeron la mayor parte de la fábrica y los equipos fueron transportados a otros países aliados.

Finalmente, en 1967, después de reconstruir sus instalaciones, Mauser anunció que reanudaría la producción de la HSc. De octubre de 1968 a diciembre de 1977, un total de 63.118 HSc fueron hechas. Esto incluyó 18.868 en 7.65mm y 39.250 en 9mm Corto y una edición especial de 5.000 unidades en ambos calibres marcadas con el águila americana, pues estaban destinadas allí.

En 1977 salió de la fábrica Mauser la última unidad del Modelo HSc.

Jesús Madriñán
Datos técnicos
MAUSER HSc
Oberndorf (Alemania)
1940 - 1945
Doble Acción
86 mm.
600 Gr.
Madera
Paul Mauser, nacido el 27 de junio de 1838, era hijo de Franz Andreas Mauser, maestro armero de la fábrica de armas instalada en el antiguo monasterio de los padres agustinos de Obendorf.

Aprendió desde pequeño la profesión de su padre, trabajando en la misma fábrica y distinguiéndose muy pronto por su gran inventiva para modificar los mecanismos de las armas, así como diseñar otros nuevos. Le ayudó a ello el haber cursado estudios en la Fábrica Real de Armas de Wurttemberg y el hecho de cumplir su servicio militar en el arsenal de Ludwingsburg, teniendo la oportunidad de estudiar en el museo todas las características y sistemas de las armas de fuego diseñadas hasta entonces.

Otro de sus doce hermanos, Wilhem, también armero y con las mismas inquietudes que Paul, trabajó varios años junto a éste en el proyecto de un fusil militar de cerrojo. Dicha arma fue la que verdaderamente dio la fama al apellido Mauser, ya que este fusil o sus variantes, fue declarado reglamentario por la mayoría de los ejércitos del mundo.

Adquirida cierta celebridad y fortuna, Paul y Wilhem Mauser adquirieron la fábrica de armas de Obendorf en 1874, dedicándose durante varios años a la explotación de su invento; posteriormente fundaron una sociedad que duraría hasta 1882, año en que muere Wilhem. Su hermano, Paul quedó al frente de la empresa, fusionándose en 1895 con la Deutsche Waffen und Munitions Fabrik -Fábrica de Municiones del Ejército Alemán- ubicada en Berlín, surtiendo de armas a medio mundo.

Pero la Mauser no sólo se limitó a la construcción de fusiles militares, sino que también fabricó pistolas semiautomáticas de renombre, como la C.96, el Modelo 1914 y la célebre Luger P.08.

La laboriosidad e inteligencia de Paul Mauser le procuraron una cuantiosa fortuna y gran cantidad de honores, entre los que cabe destacar la Gran Cruz al Mérito Militar concedida por el Gobierno español, el título de Doctor en Ingeniería por la Real Academia de Ingeniería de Stugart y La Gran Cruz de la Real Orden de Württemberg.

Paul Mauser murió el 29 de Mayo de 1914 de una embolia. En la actualidad, la casa Mauser ha vuelto a equipar un importante establecimiento en Obendorf, dedicándose, principalmente, a la producción de elegantes modelos deportivos.